반응형

Lenze 인버터 SMD 시리즈 입니다.
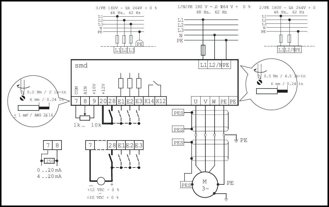
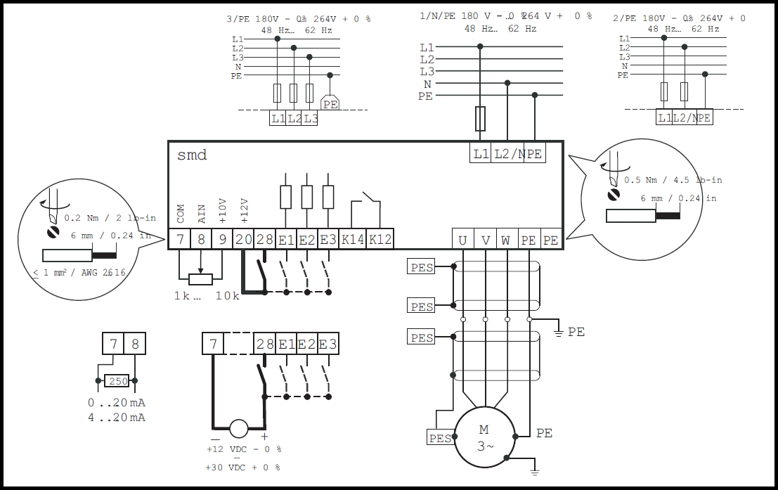
1. 결선도


Lenze SMD 결선도 입니다.
2. 에러코드

Lenze SMD 인버터의 에러코드 입니다.
3. 메뉴얼
Lenze SMD 인버터의 사용자 메뉴얼 입니다.
반응형
'Lenze' 카테고리의 다른 글
| How to use Lenze software - EasyStarter (1) (0) | 2023.03.23 |
|---|---|
| Lenze ACTech PositionServo - catalog, manual, program (0) | 2023.03.22 |
| Lenze ACTech SMVector - manual, wiring, error codes (0) | 2023.03.22 |
| Lenze 8200 motec (3) - Manual (0) | 2023.03.20 |
| Lenze 8200 motec (2) - Parameter (0) | 2023.03.20 |

댓글