반응형
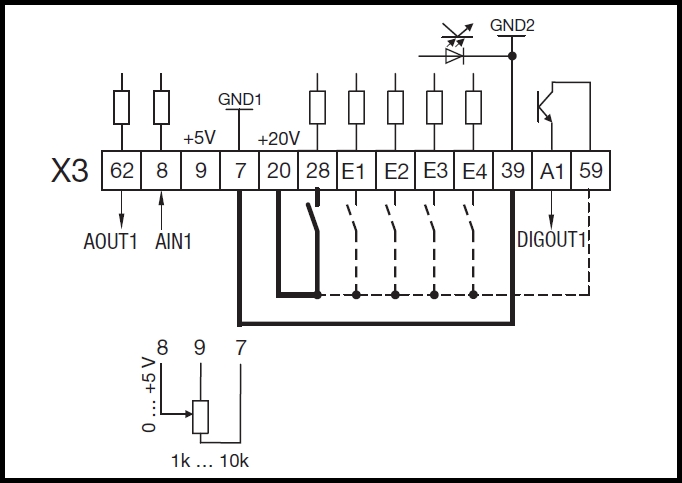
Lenze 8200 시리즈 결선도 입니다. (모델명 : Lenze E82EV..., E82CV..., E82DV...)


* 28번 단자는 레디신호로 반드시 연결해주어야 합니다.
* E1~E4 단자는 디지털입력 신호입니다. 파라미터 설정에 의해 변경이 가능합니다.
* A1 단자는 디지털출력 신호입니다. 이 신호를 사용하려면 59번 단자에 전압을 인가해야 합니다.
파라미터 설정에 의해 변경이 가능합니다.
* 8번 단자는 아날로그 입력, 62번 단자는 아날로그 출력 입니다.
아래 파일은 결선도 자료 입니다.
관련 메뉴얼과 파라미터 자료를 다운로드 받으시려면 아래 포스팅을 참고하시기 바랍니다.
반응형
'Lenze' 카테고리의 다른 글
| Lenze 9300 Servo Drive (3) - Error Codes (0) | 2023.03.16 |
|---|---|
| Lenze 9300 Servo Drive (2) - Wiring diagram (0) | 2023.03.16 |
| Lenze 9300 Servo Drive (1) - Parameter (0) | 2023.03.16 |
| Lenze 8200 Inverter (3) - Parameter (0) | 2023.03.16 |
| Lenze 8200 Inverter (2) - Manual (0) | 2023.03.16 |



댓글