반응형

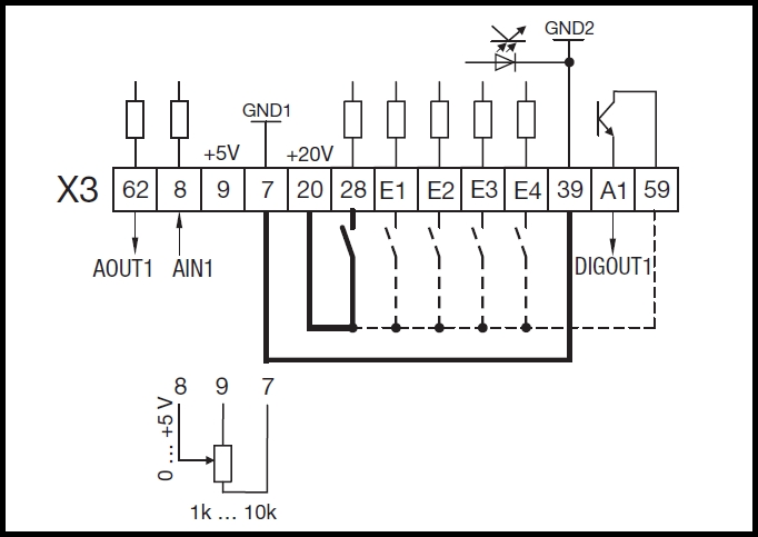
Lenze 8200 motec 시리즈의 결선도 자료입니다.


* 28번 단자는 레디신호로 반드시 연결해주어야 합니다.
* E1~E4 단자는 디지털입력 신호입니다. 파라미터 설정에 의해 변경이 가능합니다.
* A1 단자는 디지털출력 신호입니다. 이 신호를 사용하려면 59번 단자에 전압을 인가해야 합니다.
파라미터 설정에 의해 변경이 가능합니다.
* 8번 단자는 아날로그 입력, 62번 단자는 아날로그 출력 입니다.
Lenze 8200 motec 제품의 전체 파라미터 자료는 여기에서 다운로드 가능합니다.
Pages_8200MotecWiring.pdf
0.51MB
Lenze 8200 motec의 파라미터, 메뉴얼 자료는 아래 포스팅을 참고하시기 바랍니다.
반응형
'Lenze' 카테고리의 다른 글
| Lenze 8200 motec (3) - Manual (0) | 2023.03.20 |
|---|---|
| Lenze 8200 motec (2) - Parameter (0) | 2023.03.20 |
| Lenze GDC (2) - Send a parameter file to inverter (Write) (0) | 2023.03.17 |
| Lenze GDC (1) - Save parameter as a file (Read) (0) | 2023.03.17 |
| Lenze 9300 Servo Drive (3) - Error Codes (0) | 2023.03.16 |


댓글