Lenze 8400 시리즈는 BaseLine / StateLine / HighLine / TopLine 네 가지 종류가 있습니다.
Lenze 8400 BaseLine은 모델명 E84AVBD 또는 E84AVBC 로 시작하는 제품입니다.


단상 230 V 제품은 0.25 kW에서 2.2 kW 까지 있습니다. (E84AVBDE2512SX0 ~ E84AVBDE2222SX0)
삼상 400 V 제품은 0.37 kW에서 3 kW 까지 있습니다. (E84AVBDE3714SX0 ~ E84AVBDE3024SX0)
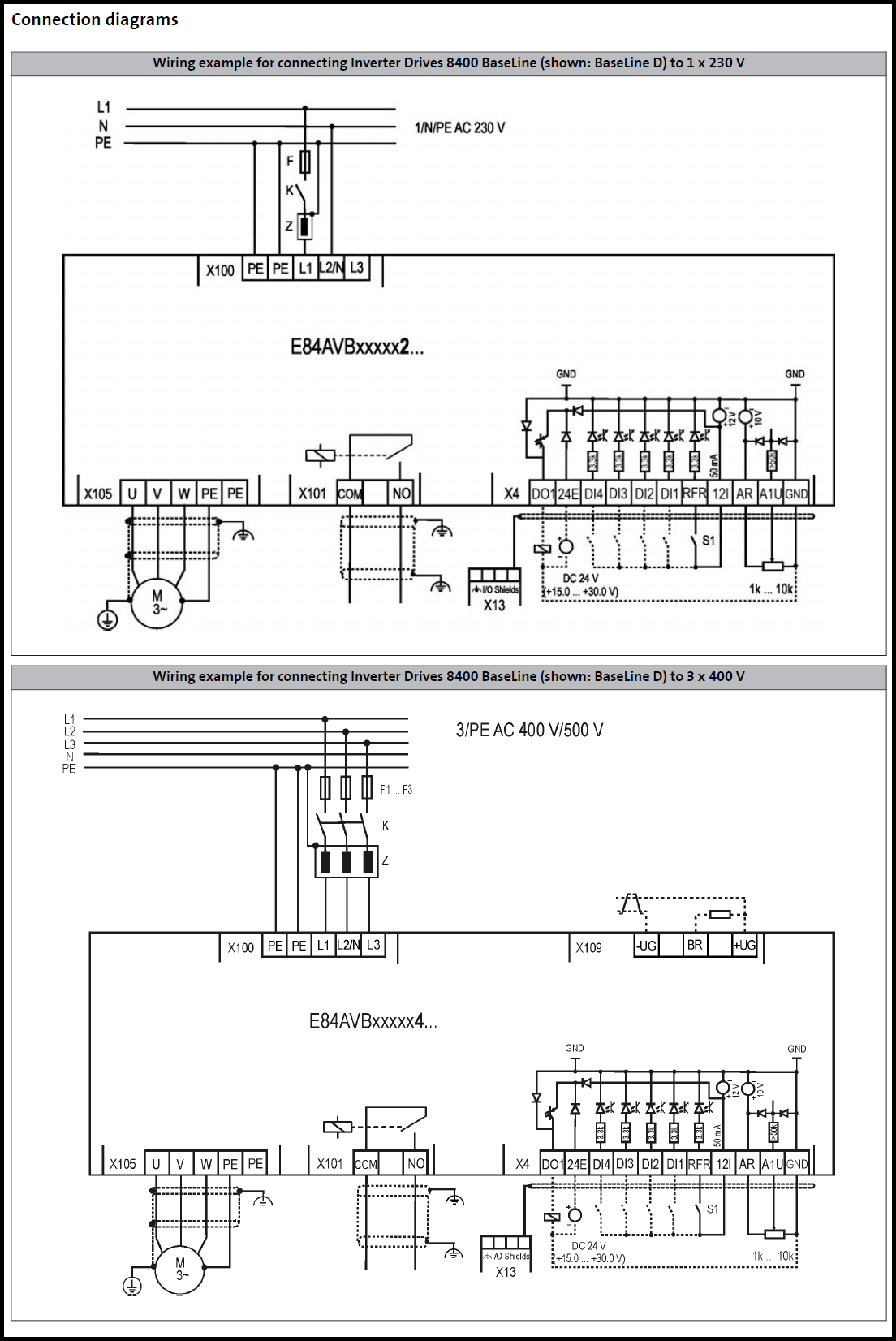
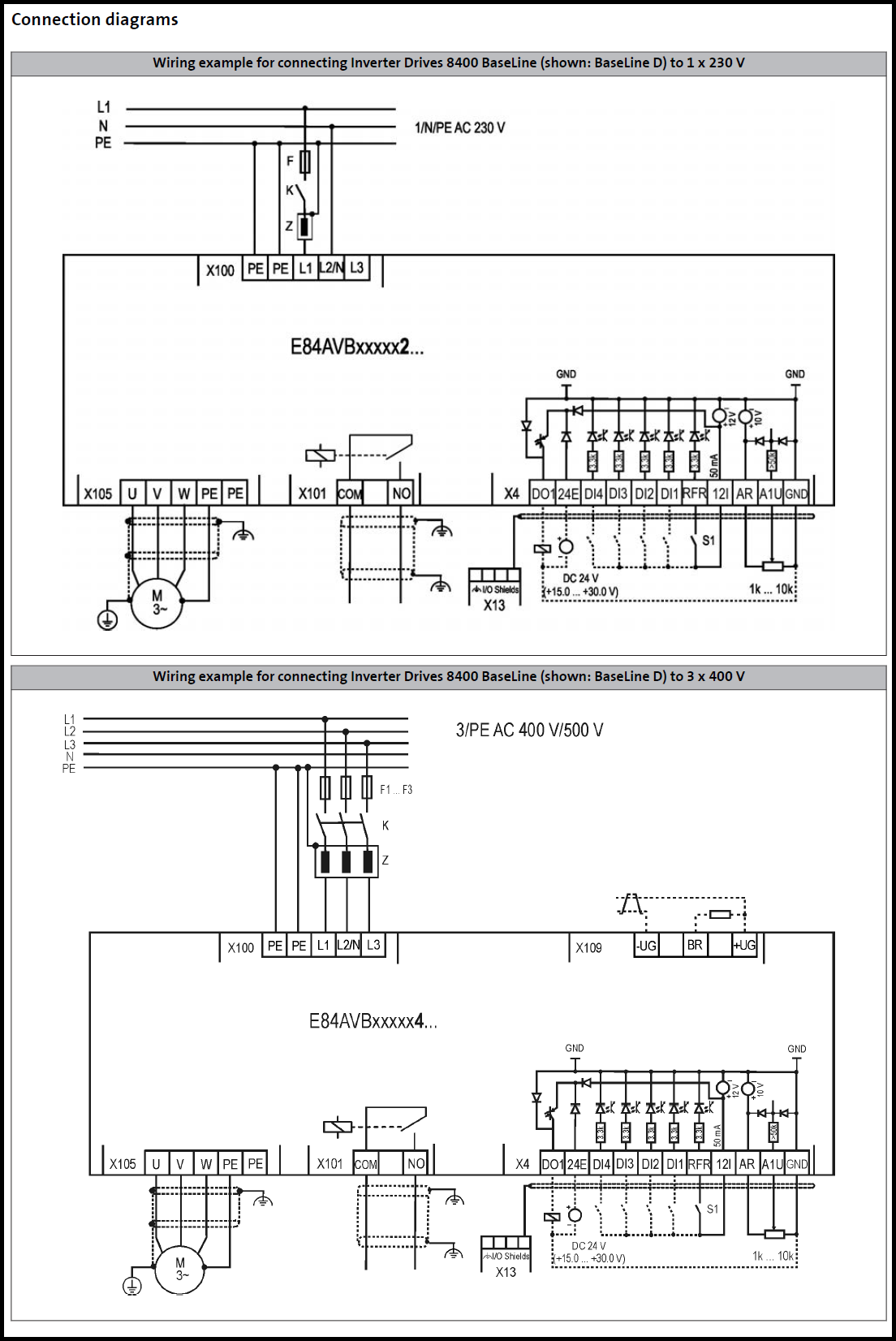
1. 8400 BaseLine wiring diagram
Lenze 8400 BaseLine 기본 결선도 자료입니다. 230 V 제품과 400 V 제품에 대한 자료입니다.

결선도에 대한 상세 자료는 아래 자료를 다운로드 받으시기 바랍니다.
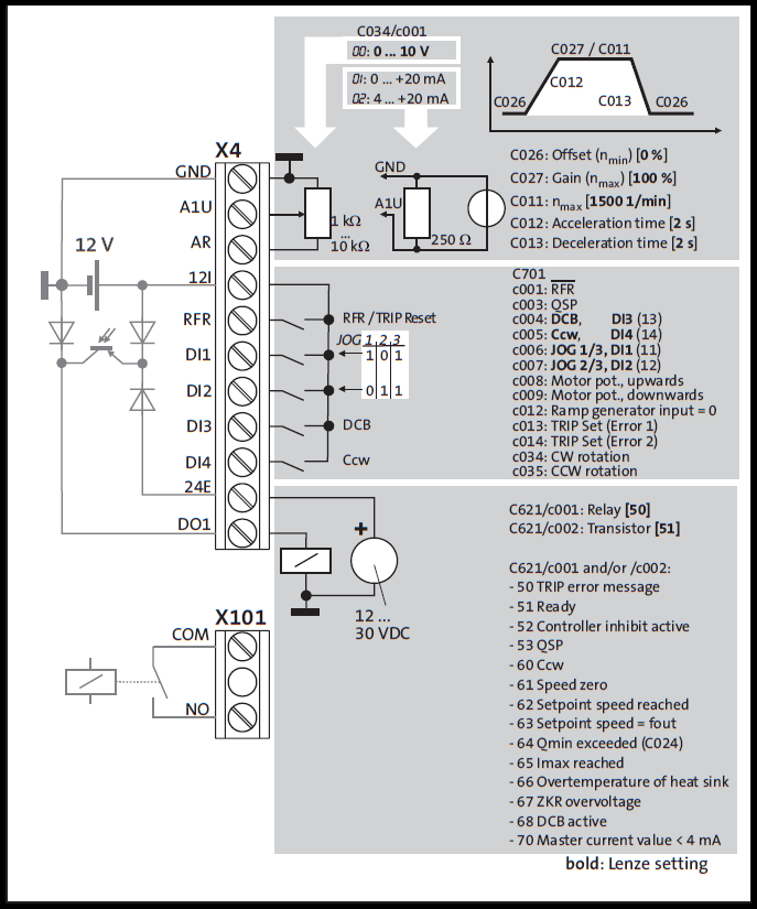
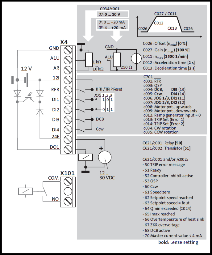
2. Lenze 8400 BaseLine Parameter
Lenze 8400 BaseLine 주요 파라미터 입니다.

파라미터에 대한 상세자료는 아래 파일을 참고하시기 바랍니다.
3. Lenze 8400 BaseLine ErrorCodes
Lenze 8400 BaseLine 에러 코드 목록입니다.

에러코드 원인 및 조치사항에 대한 자세한 내용은 아래 파일을 참고하시기 바랍니다.
4. 간편 설정방법
Lenze 8400 inverter BaseLine 간편 설정방법 입니다.


Lenze 8400 시리즈 다른 모델의 자료는 아래 링크를 참고해주시기 바랍니다.
'Lenze' 카테고리의 다른 글
| Lenze 8400 HighLine - Wiring, Parameter, ErrorCodes (0) | 2023.04.21 |
|---|---|
| Lenze 8400 StateLine - Wiring, Parameter, ErrorCode (0) | 2023.04.21 |
| How to use Lenze Software - VisiWinNet (0) | 2023.03.24 |
| How to use Lenze software - EasyStarter (2) (1) | 2023.03.23 |
| How to use Lenze software - EasyStarter (1) (0) | 2023.03.23 |



댓글