Lenze 8400 시리즈는 BaseLine / StateLine / HighLine / TopLine 네 가지 종류가 있습니다.
Lenze 8400 HighLine은 모델명 E84AVHC 로 시작하는 제품입니다.


단상 230 V 제품은 0.25 kW에서 2.2 kW 까지 있습니다. (E84AVHCE2512SX0 ~ E84AVHCE2222SX0)
삼상 400 V 제품은 0.37 kW에서 55 kW 까지 있습니다. (E84AVHCE3714SX0 ~ E84AVHCE4534SX0)
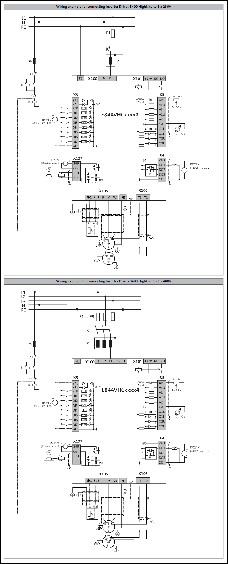
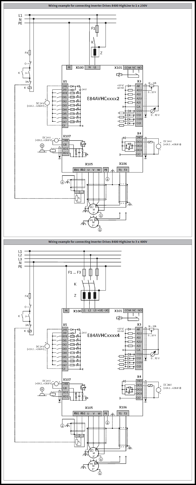
1. 8400 HighLine wiring diagram
Lenze 8400 HighLine 기본 결선도 자료입니다. 230 V 제품과 400 V 제품에 대한 자료입니다.

결선도에 대한 상세 자료는 아래 자료를 다운로드 받으시기 바랍니다.
2. Lenze 8400 HighLine Parameter
Lenze 8400 HighLine 주요 파라미터 입니다.

파라미터가 매우 많기 때문에 보다 자세한 파라미터 자료는 아래 자료를 확인하시기 바랍니다.
3. Lenze 8400 HighLine ErrorCodes
Lenze 8400 HighLine 에러 코드 목록입니다.

에러코드 원인 및 조치사항에 대해 조금 더 상세히 확인하시려면 아래 파일을 참고하시기 바랍니다.
Lenze 8400 시리즈 다른 모델의 자료는 아래 링크를 참고해주시기 바랍니다.
'Lenze' 카테고리의 다른 글
| Lenze 9400 HighLine - Wiring, Parameter, ErrorCodes (0) | 2023.04.28 |
|---|---|
| Lenze 8400 TopLine - Wiring, Parameter, ErrorCodes (0) | 2023.04.21 |
| Lenze 8400 StateLine - Wiring, Parameter, ErrorCode (0) | 2023.04.21 |
| Lenze 8400 BaseLine - Wiring, Parameter, ErrorCodes (0) | 2023.04.21 |
| How to use Lenze Software - VisiWinNet (0) | 2023.03.24 |



댓글