Lenze 8400 시리즈는 BaseLine / StateLine / HighLine / TopLine 네 가지 종류가 있습니다.
Lenze 8400 StateLine은 모델명 E84AVSC 로 시작하는 제품입니다.


단상 220 V 제품은 0.25 kW에서 2.2 kW 까지 있습니다. (E84AVSCE2512SX0 ~ E84AVSCD2222SX0)
삼상 380 V 제품은 0.37 kW에서 15 kW 까지 있습니다. (E84AVSCE3714SX0 ~ E84AVSCE1534SX0)
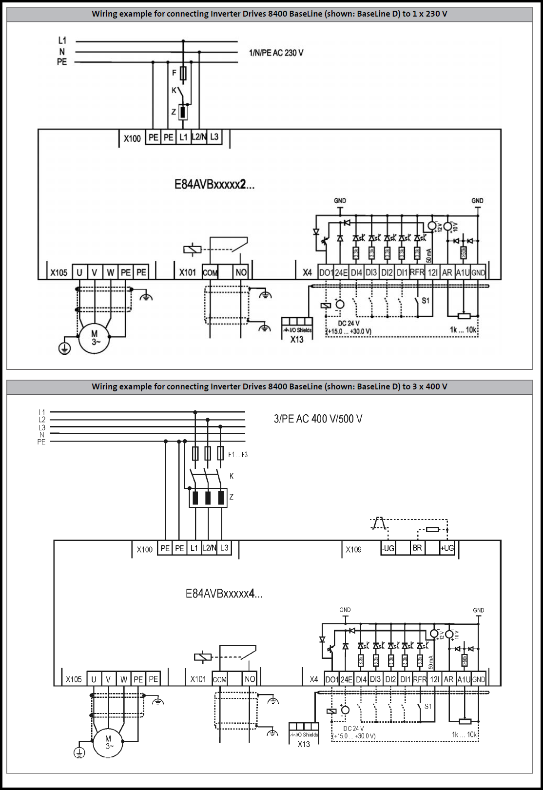
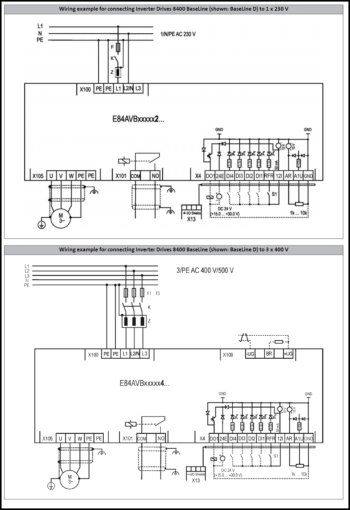
1. 8400 StateLine wiring diagram
Lenze 8400 StateLine 기본 결선도 자료입니다. 230 V 제품과 400 V 제품에 대한 자료입니다.

보다 자세한 결선도 자료는 아래 자료를 확인하시기 바랍니다.
2. Lenze 8400 StateLine Parameter
Lenze 8400 StateLine 주요 파라미터 입니다.

파라미터에 대한 상세 자료는 아래 자료를 다운로드 받으시기 바랍니다.
3. Lenze 8400 StateLine ErrorCodes
Lenze 8400 StateLine 에러 코드 목록입니다.

에러코드 원인 및 조치사항에 대해 자세히 알고자하면 아래 파일을 참고하시기 바랍니다.
Lenze 8400 시리즈 다른 모델의 자료는 아래 링크를 참고해주시기 바랍니다.
'Lenze' 카테고리의 다른 글
| Lenze 8400 TopLine - Wiring, Parameter, ErrorCodes (0) | 2023.04.21 |
|---|---|
| Lenze 8400 HighLine - Wiring, Parameter, ErrorCodes (0) | 2023.04.21 |
| Lenze 8400 BaseLine - Wiring, Parameter, ErrorCodes (0) | 2023.04.21 |
| How to use Lenze Software - VisiWinNet (0) | 2023.03.24 |
| How to use Lenze software - EasyStarter (2) (1) | 2023.03.23 |



댓글